耀世娱乐(中国)EN600变频器在大桥卷扬系统中的应用-变频器、伺服、PLC专业制造商-深圳耀世娱乐(中国)电气技术股份有限公司

耀世娱乐(中国)

退出

访问者

耀世娱乐(中国)EN600变频器在大桥卷扬系统中的应用
“一桥飞架南北,天堑变通途”,近年来我国桥梁技术开展迅猛,尤其是在桥梁跨度技术方面。其中桥梁缆索是斜拉桥等桥梁的重要结构部件,是桥梁的主要承力结构之一。在工程应用中,需要对缆索进行实时的、可靠的牵引控制,才能保证大桥的整体施工质量,这无疑是给常规施工带来了困难,也使得卷扬机系统在桥梁施工中得到了广泛应用。



“一桥飞架南北,天堑变通途”,近年来我国桥梁技术开展迅猛,尤其是在桥梁跨度技术方面。其中桥梁缆索是斜拉桥等桥梁的重要结构部件,是桥梁的主要承力结构之一。在工程应用中,需要对缆索进行实时的、可靠的牵引控制,才能保证大桥的整体施工质量,这无疑是给常规施工带来了困难,也使得卷扬机系统在桥梁施工中得到了广泛应用。


600-1.png


现如今,大桥上的缆索吊装系统均使用卷扬机设备,其驱动部分都采用性能较高的变频器来完成,取消了以往的传统控制方式,以保证设备安全可靠的运行。

现在,耀世娱乐(中国)EN600系列高性能矢量变频器已成功应用在各种建筑、水利、农业矿山等卷扬系统设备中,速度响应快,运行安全可靠。下面,我们来介绍耀世娱乐(中国)EN600变频器在某大桥卷扬系统中的成功应用。


系统介绍


缆索吊装系统主要由锚碇、承重系统、起吊系统、牵引系统、机电系统及限位保护装置等构成。锚碇分为三部分,分别是主锚碇、转向装置地锚、卷扬机地锚。承重系统主要是承重索及天车,而承重索是天车运行的轨道及主要的传力构件,一般采用麻芯钢索。天车是坐落在承重索上面能够前后走行的滑轮组,其是缆索吊走行及起吊的重要结构。起吊系统主要包括起吊卷扬机、起吊钢索、起吊滑车及下落配重,是用来起吊及下落货物的系统。牵引系统主要包括牵引卷扬机,牵引悬索及牵引滑车,是用来移动天车前后走行的系统,机电系统是指缆索吊的一整套电力系统,包括一些配电箱、凸轮控制开关等。

该现场中的悬索收卷是桥梁牵引系统的重要组成部分,要利用变频驱动的卷扬机,才能收卷好。


600-2.png

600-3.png


悬索收卷机设置

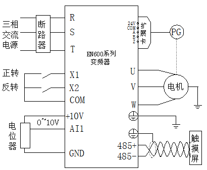
该现场悬锁收卷机驱动部分由一台耀世娱乐(中国)EN600-4T0450G变频器和一台37KW电机组成,触摸屏与变频器之间进行MODBUS通讯,用来修改参数值和监视部分运行数据;变频器主控板部位另外加装一块EN-PG03扩展卡,与电机末端编码器相连形成闭环系统,从而实现精确和快速响应的高性能矢量控制。变频器接线与部分参数设置如下:


图片3.png

V[J9N(1QDPBMU6N7[5J$]HH.png


耀世娱乐(中国)变频器应用优势


600-4.png

■ 替换现场某进口品牌变频器,性价比高,且后期维护性好;

■ 主板除了可配备EN-PG03扩展卡外,还可配置不同制式扩展卡,与电机编码器或者旋变相连,形成闭环控制,使得系统更安全;

■ 可到达精准的恒转矩控制,悬索收卷力矩控制响应速度更快;

■ 加速过程平衡稳定,停车平稳、精准,提高了设备工作效率;

■ 使设备设计制作简单,实用性高,推广性强,应用前景广阔。



返回
我的会员
商务咨询QQ
技术支持QQ
反馈意见